Großhandel Sprühturm aus Edelstahl 304

  • Sprühturm aus Edelstahl 304
  • Sprühturm aus Edelstahl 304
  • Sprühturm aus Edelstahl 304
  • Sprühturm aus Edelstahl 304
  • Sprühturm aus Edelstahl 304
  • Sprühturm aus Edelstahl 304
  • Sprühturm aus Edelstahl 304
  • Sprühturm aus Edelstahl 304
  • Sprühturm aus Edelstahl 304
  • Sprühturm aus Edelstahl 304

Sprühturm aus Edelstahl 304

Der Sprühturm aus Edelstahl 304 ist ein Abgasreinigungsgerät aus Edelstahl 304. Sein Funktionsprinzip basiert auf einer Gas-Flüssigkeits-Kontaktreaktion. Aufgrund der Materialeigenschaften bietet es konkrete Vorteile hinsichtlich der Einsetzbarkeit und des Zeitrahmens. Die Einzelheiten lauten wie folgt:

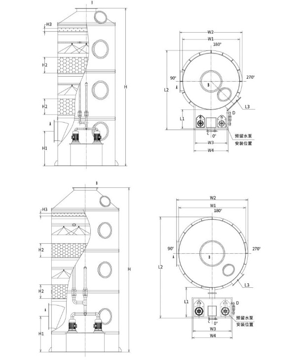
I. Funktionsprinzip
Wie bei anderen Sprühtürmen ist die Grundlogik dieselbe: Die Abgasreinigung erfolgt durch den Gas-Flüssigkeits-Kontakt. Der Prozess ist wie folgt:
1. Abgaseinlass: Von einem Ventilator angetrieben, treten mit Schadstoffen beladene Abgase von unten in den Turm ein und strömen entlang der internen Kanäle des Turms nach oben.
2. Sprühen absorbierender Flüssigkeit: Das Sprühsystem an der Spitze des Turms setzt die absorbierende Flüssigkeit (z. B. eine Säure- oder Alkalilösung, sauberes Wasser oder ein spezielles Reagenz) unter Druck. Die unter Druck stehende absorbierende Flüssigkeit (z. B. eine Säure- oder Alkalilösung, sauberes Wasser oder ein spezielles Reagenz) wird durch eine Düse in feine Tröpfchen zerstäubt und nach unten gesprüht, wodurch ein dichter Flüssigkeitsvorhang entsteht.
3. Reinigungsreaktion: Das aufsteigende Abgas kommt in vollständigen Kontakt mit den herabsinkenden Tröpfchen und entfernt Schadstoffe durch physikalische Adsorption (Staubeinfang), chemische Neutralisation (Reaktion des Säure- oder Alkaligases mit der entsprechenden Lösung) oder Auflösungsabsorption (lösliche Gase).
4. Gas-Flüssigkeits-Trennung: Das gereinigte Gas strömt durch einen Tropfenabscheider an der Spitze des Turms, um alle mitgerissenen Flüssigkeitströpfchen zu entfernen, und wird schließlich auf übliche Weise von der Spitze des Turms abgeführt.
5. Abwasserbehandlung: Das Abwasser, das Schadstoffe absorbiert hat, wird in einem Sumpf am Boden des Turms gesammelt und kann recycelt (zum Nachfüllen von Reagenzien) oder nach der Behandlung abgeleitet werden.

II. Anwendbare Umgebungs- und Zeitmerkmale
1. Umweltanpassungsfähigkeit:
- Temperaturbeständigkeit: Edelstahl 304 hält hohen Temperaturen stand (normalerweise ≤ 200 °C) und eignet sich zur Behandlung von Abgasen mittlerer und hoher Temperatur (wie sie bei Trocknungs- und Schmelzprozessen entstehen) und übertrifft damit Kunststoffe wie PVC und PP.
- Korrosionsbeständigkeit: Es weist eine gute Beständigkeit gegenüber neutralen, leicht sauren und leicht alkalischen Abgasen sowie einigen Abgasen organischer Lösungsmittel auf und kann in korrosiven Umgebungen in Branchen wie der chemischen Industrie, der Lebensmittelverarbeitung und der Pharmaindustrie eingesetzt werden.
- Festigkeit und Stabilität: Das Material ist äußerst fest, schlagfest und alterungsbeständig und eignet sich daher für Außenanwendungen und komplexe Arbeitsbedingungen wie feuchte und staubige Bedingungen. 2. Lebensdauer:
- Aufgrund der hervorragenden Korrosions- und Alterungsbeständigkeit von Edelstahl 304 beträgt die Lebensdauer bei ordnungsgemäßer Wartung (z. B. regelmäßige Reinigung und Korrosionsschutzbehandlung) typischerweise 10–15 Jahre und ist damit deutlich länger als bei Sprühtürmen aus Kunststoff, sodass sie für industrielle Anwendungen geeignet ist, die einen langfristigen, stabilen Betrieb erfordern.
3. Einschränkungen:
- Seine Toleranz gegenüber stark korrosiven Abgasen (z. B. hohe Konzentrationen an Chloridionen, starken Säuren und Laugen) ist begrenzt und erfordert eine Bewertung anhand der Abgaszusammensetzung. Es ist teurer als Kunststoffmaterialien und eignet sich besser für Anwendungen, die eine hohe Lebensdauer und Stabilität der Ausrüstung erfordern.

Sprühtürme aus Edelstahl 304 eignen sich für industrielle Umgebungen, die einen Langzeitbetrieb, hohe Abgastemperaturen oder ein gewisses Maß an Korrosivität erfordern, wie z. B. Metallverarbeitung, Lebensmittelbacken und pharmazeutische Herstellung.

Auswahl chemischer Wäscher
Tabelle mit technischen Daten für gepackte Sprühwäscher
Aus Gründen des Transportkomforts und der Sicherheit werden PP-verpackte Sprühwäscher in zwei Typen eingeteilt:
Typ 1: Integrierter Tank-Sprühwäscher (Turmdurchmesser: Φ1000 mm–Φ2200 mm)
Typ 2: Split-Typ-Wassertank-Sprühwäscher (Turmdurchmesser: Φ2500 mm–Φ3500 mm)
Luftstromkapazität Entsprechende Modellle für gepackte Türme:

Model Luftstromkapazität (m³/h) Geräteabmessungen Pumpenleistung Packungsdicke Windgeschwindigkeit Ausrüstungsmaterial
LRTL-600 0 - 1500m³/h Φ600×3000 0,75 kW 500*2 1,48 m/s PP/304/Q235/FRP
LRTL-800 1501 - 2500m³/h Φ800×3000 0,75 kW 500*2 1,39 m/s PP/304/Q235/FRP
LRTL-1000 2501 - 4000m³/h Φ1000×5000 1,5 kW 500*2 1,42 m/s PP/304/Q235/FRP
LRTL-1200 4001 - 6000m³/h Φ1200×5000 2,2 kW 500*2 1,48 m/s PP/304/Q235/FRP
LRTL-1500 6001 - 9500m³/h Φ1500×5000 3,75 kW 500*2 1,5 m/s PP/304/Q235/FRP
LRTL-1800 9501 - 14000m³/h Φ1800×5000 5,5 kW 500*2 1,53 m/s PP/304/Q235/FRP
LRTL-2000 14001 - 17000m³/h Φ2000×6000 5,5 kW 500*2 1,5 m/s PP/304/Q235/FRP
LRTL-2200 17001 - 20000m³/h Φ2200×6000 7,5 kW 500*2 1,46 m/s PP/304/Q235/FRP
LRTL-2500 20001 - 27000m³/h Φ2500×6000 7,5 kW 500*2 1,53 m/s PP/304/Q235/FRP
LRTL-2800 27001 - 33000m³/h Φ2800×6000 15 kW 500*2 1,49 m/s PP/304/Q235/FRP
LRTL-3000 33001 - 38000m³/h Φ3000×6800 15 kW 500*2 1,49 m/s PP/304/Q235/FRP
LRTL-3200 38001 - 44000m³/h Φ3200×6800 15 kW 500*2 1,52 m/s PP/304/Q235/FRP
LRTL-3500 44001 - 55000m³/h Φ3500×6800 15 kW 500*2 1,5 m/s PP/304/Q235/FRP

Hinweis: Auf Kundenwunsch können kundenspezifische Designs bereitgestellt werden.

Auswahldiagramm:

Hangzhou Lvran Environmental Protection Group Co., Ltd.

  • 1000+

    Kunden der Serviceeinheit

  • 2000+

    Nationale technische Fälle

Hangzhou Lvran Environmental Protection Group Co., Ltd. ist ein umfassender technischer Dienstleister und Gerätehersteller für Abgasbehundlungssysteme, der Forschung und Entwicklung, technische Dienstleistungen, Design, Produktion, technische Installation und Kundendienst integriert.

We are China Sprühturm aus Edelstahl 304 Suppliers and Wholesale Sprühturm aus Edelstahl 304 Exporter, Company. Die Gruppe ist ein nationales High-Tech-Unternehmen, ein Wissenschafts- und Technologieunternehmen der Provinz Zhejiang, ein regionales Forschungs- und Entwicklungszentrum und eine mit AAA bewertete Krediteinheit. Es hält über 30 Gebrauchsmusterpatente, zahlreiche Erfindungspatente und Software-Urheberrechte. Die Gruppe unterhält langjährige technische Forschungs- und Entwicklungskooperationen mit inländischen Universitäten und Institutionen, darunter das „Environmental Innovation R&D Center“, das mit der Anhui University of Science and Technology gegründet wurde, und das „Plasma Energy and Environmental New Technology R&D Center“, das gemeinsam mit der Zhejiang Sci-Tech University entwickelt wurde. Die Gruppe hat eine eigene Forschungs-, Entwicklungs- und Produktionsbasis für eine intensive technische Zusammenarbeit aufgebaut. Die Gruppe verfügt über eine Kerntechnologie zur VOC-Gasaufbereitung, verfügt über eine Generalunternehmerqualifikation der Stufe 2 für kommunale öffentliche Bauarbeiten, eine Sicherheitsproduktionslizenz, eine Spezialdesignqualifikation der Klasse B für die Kontrolle der Umweltverschmutzung in der Provinz Zhejiang, nicht klassifizierte Arbeitsdienstqualifikationen und spezialisierte Auftragsvergabe für Sonderprojekte. Die Gruppe ist nach ISO9001 für internationale Qualität, ISO14001 für Umweltmanagement und ISO45001 für Gesundheit und Sicherheit am Arbeitsplatz zertifiziert.

EHRE & ZERTIFIKAT

Die folgenden Auszeichnungen zeugen von unserer Brillanz. Wir gewinnen Kunden mit hochwertigen Produkten und gewinnen mit guten Dienstleistungen großes Lob vom Markt und allen Gesellschaftsschichten.

  • Eine plattenartige Grundeinheit mit hohem elektrischem Feld und Reaktor zur Verhinderung von Leckagen entlang der Oberfläche
  • Eine Reaktionsvorrichtung zur Synthese von Methanol unter Verwendung von Kohlendioxid und Wasser und ein Verfahren zur Synthese von Methanol unter Verwendung von Kohlendioxid und Wasser
  • Selbstreinigender Elektrofilter
  • Ein korrosionsbeständiger Hochdruckventilator mit Windrichtungsanpassungsfunktion
  • Ein einstellbarer, selbstreinigender Hochleistungsventilator
  • Kombiniertes Steuersystem zur Abgasvorbehandlung mit katalytischer Vergasung
  • Dampfreinigungssystem mit kontinuierlichem elektrostatischem Feld zur Abgasreinigung und -behandlung
  • Niedertemperatur-Plasma-UV-Photolyse-Abgasreinigungssystem
  • Markenregistrierungszertifikat
Aktuelle Neuigkeiten und Veranstaltungen
Teilen Sie es mit Ihnen
Weitere Nachrichten anzeigen