Großhandel Zyklonplatten-Nasswäscher

  • Zyklonplatten-Nasswäscher

Zyklonplatten-Nasswäscher

Der Zyklonwäscherturm besteht typischerweise aus einem zylindrischen Turmkörper, der mit spiralförmigen Prallplatten ausgestattet ist. Im Betrieb tritt das Rauchgas tangential vom Boden des Turms ein und strömt nach oben. Geführt von den Schaufeln der Prallplatten steigt das Gas spiralförmig nach oben und zerstäubt die an den Platten herabfließende Flüssigkeit in feine Tröpfchen. Dadurch entsteht eine große Gas-Flüssigkeits-Kontaktfläche. Die Tröpfchen werden vom Gasstrom getragen und rotieren, wodurch eine Zentrifugalkraft erzeugt wird, die die Gas-Flüssigkeits-Wechselwirkung verstärkt. Schließlich werden die Tröpfchen auf die Turmwand geschleudert, fließen entlang der Wand nach unten zur nächsten Prallplatte und werden vom Gasstrom für den weiteren Kontakt erneut zerstäubt. Wie beschrieben erreicht die Flüssigkeit einen gründlichen Kontakt mit dem Gas und sorgt gleichzeitig für eine effektive Trennung, wodurch die Nebelmitnahme minimiert wird. Die Gas-Flüssigkeits-Belastbarkeit dieses Systems ist mehr als doppelt so hoch wie die herkömmlicher Prallplatten.

Die hervorragenden Gas-Flüssigkeits-Kontaktbedingungen des Turms gewährleisten eine effiziente Absorption von Abgasen durch alkalische Flüssigkeiten. Darüber hinaus weist der Zyklonwäscherturm eine hervorragende Staubentfernungsleistung auf. Staubpartikel im Gas werden durch den Wassernebel auf den spiralförmigen Prallplatten eingefangen und Partikel und Tröpfchen, die durch die Zentrifugalkraft an die Turmwand geschleudert werden, werden ebenfalls effektiv entfernt. Dadurch enthält das aus dem Turm austretende Gas nur minimal Staub und Tröpfchen. Die Windgeschwindigkeit im leeren Turm liegt zwischen 2,2 und 2,7 m/s.

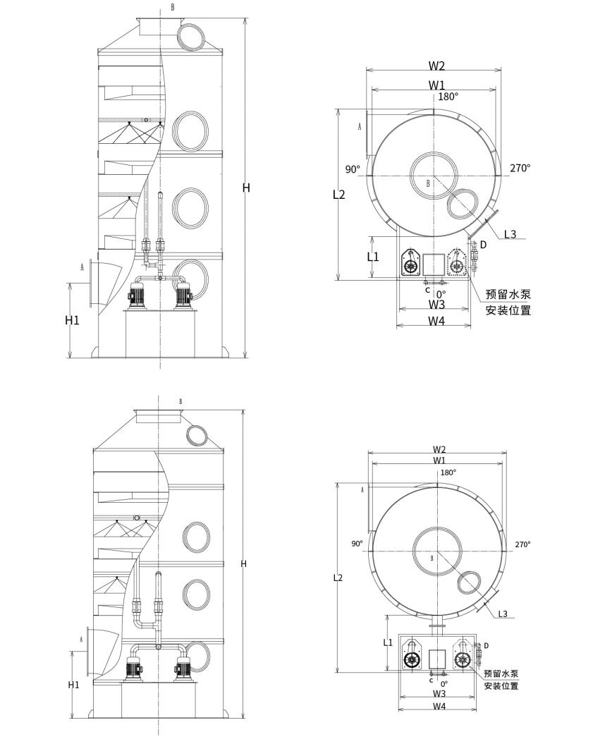
Struktur des Wirbelsprühturms:
Wie in der Abbildung dargestellt: Das komplette gepackte Sprühreinigungssystem umfasst die folgenden Komponenten:

● Turmkörper aus PP-Platten (Polypropylen);

● Rahmen aus PP-Spiralleitblechen;

● Spritzverbindungsrohre aus UPVC (weichmacherfreies Polyvinylchlorid);

● PP-Spiraldüsen;

● Korrosionsbeständige PP-Umwälzpumpe;

● Demisterschicht (Netz-/Zyklon-/Prallplattentyp);

● Manuelle und automatische Wassernachfüllgeräte;

● Überlauf- und Abflussrohre;

● Inspektionsfenster.

Auswahlparameter für den Zyklonplattenturm:
Um den Transportkomfort und die Sicherheit zu gewährleisten, sind PP-Zyklonwäschertürme in zwei Spezifikationskategorien unterteilt:

Typ 1: Integrierter Wassertank-Zyklonwäscher (Turmdurchmesser: Φ1000 mm–Φ2200 mm)

Typ 2: Zyklonwäscher mit geteiltem Wassertank (Turmdurchmesser: Φ2500 mm–Φ3500 mm)


Zyklonwäscher-Turmmodelle entsprechend der Luftdurchsatzkapazität:

Modell Luftvolumenbereich Gerätegröße Leistung der Wasserpumpe Anzahl der Drallblätter Windgeschwindigkeitsbereich Ausrüstungsmaterial
XL-600 0-2800m³/h Φ600×2950 0,75 kW 2 0-2,76 m/s PP/304/Q235/FRP
XL-800 3800-5000m³/h Φ800×3300 0,75 kW 2 2,11–2,77 m/s PP/304/Q235/FRP
XL-1000 6000-7500m³/h Φ1000×4380 1,5 kW 2 2,13–2,66 m/s PP/304/Q235/FRP
XL-1200 8500-11000m³/h Φ1200×4430 2,2 kW 2 2,09–2,71 m/s PP/304/Q235/FRP
XL-1500 14000-17000m³/h Φ1500×5000 3,75 kW 2 2,2–2,68 m/s PP/304/Q235/FRP
XL-1800 20000-25000m³/h Φ1800×5650 5,5 kW 2 2,19–2,73 m/s PP/304/Q235/FRP
XL-2000 25001-30000m³/h Φ2000×6200 5,5 kW 2 2,21–2,66 m/s PP/304/Q235/FRP
XL-2200 30001-37000m³/h Φ2200×6700 7,5 kW 2 2,19–2,71 m/s PP/304/Q235/FRP
XL-2500 40000-47000m³/h Φ2500×6850 7,5 kW 2 2,27–2,66 m/s PP/304/Q235/FRP
XL-2800 49000-58000m³/h Φ2800×7900 11 kW 2 2,21–2,62 m/s PP/304/Q235/FRP
XL-3000 58000-68000m³/h Φ3000×8000 11 kW 2 2,28–2,67 m/s PP/304/Q235/FRP
XL-3200 68000-78000m³/h Φ3200×8000 15 kW 2 2,35–2,7 m/s PP/304/Q235/FRP
XL-3500 78000-88000m³/h Φ3500×8000 15 kW 2 2,25–2,54 m/s PP/304/Q235/FRP

Hinweis: Sonderausführungen können je nach Kundenwunsch angefertigt werden.

Auswahldiagramm:

Hangzhou Lvran Environmental Protection Group Co., Ltd.

  • 1000+

    Kunden der Serviceeinheit

  • 2000+

    Nationale technische Fälle

Hangzhou Lvran Environmental Protection Group Co., Ltd. ist ein umfassender technischer Dienstleister und Gerätehersteller für Abgasbehundlungssysteme, der Forschung und Entwicklung, technische Dienstleistungen, Design, Produktion, technische Installation und Kundendienst integriert.

We are China Zyklonplatten-Nasswäscher Suppliers and Wholesale Zyklonplatten-Nasswäscher Exporter, Company. Die Gruppe ist ein nationales High-Tech-Unternehmen, ein Wissenschafts- und Technologieunternehmen der Provinz Zhejiang, ein regionales Forschungs- und Entwicklungszentrum und eine mit AAA bewertete Krediteinheit. Es hält über 30 Gebrauchsmusterpatente, zahlreiche Erfindungspatente und Software-Urheberrechte. Die Gruppe unterhält langjährige technische Forschungs- und Entwicklungskooperationen mit inländischen Universitäten und Institutionen, darunter das „Environmental Innovation R&D Center“, das mit der Anhui University of Science and Technology gegründet wurde, und das „Plasma Energy and Environmental New Technology R&D Center“, das gemeinsam mit der Zhejiang Sci-Tech University entwickelt wurde. Die Gruppe hat eine eigene Forschungs-, Entwicklungs- und Produktionsbasis für eine intensive technische Zusammenarbeit aufgebaut. Die Gruppe verfügt über eine Kerntechnologie zur VOC-Gasaufbereitung, verfügt über eine Generalunternehmerqualifikation der Stufe 2 für kommunale öffentliche Bauarbeiten, eine Sicherheitsproduktionslizenz, eine Spezialdesignqualifikation der Klasse B für die Kontrolle der Umweltverschmutzung in der Provinz Zhejiang, nicht klassifizierte Arbeitsdienstqualifikationen und spezialisierte Auftragsvergabe für Sonderprojekte. Die Gruppe ist nach ISO9001 für internationale Qualität, ISO14001 für Umweltmanagement und ISO45001 für Gesundheit und Sicherheit am Arbeitsplatz zertifiziert.

EHRE & ZERTIFIKAT

Die folgenden Auszeichnungen zeugen von unserer Brillanz. Wir gewinnen Kunden mit hochwertigen Produkten und gewinnen mit guten Dienstleistungen großes Lob vom Markt und allen Gesellschaftsschichten.

  • Eine plattenartige Grundeinheit mit hohem elektrischem Feld und Reaktor zur Verhinderung von Leckagen entlang der Oberfläche
  • Eine Reaktionsvorrichtung zur Synthese von Methanol unter Verwendung von Kohlendioxid und Wasser und ein Verfahren zur Synthese von Methanol unter Verwendung von Kohlendioxid und Wasser
  • Selbstreinigender Elektrofilter
  • Ein korrosionsbeständiger Hochdruckventilator mit Windrichtungsanpassungsfunktion
  • Ein einstellbarer, selbstreinigender Hochleistungsventilator
  • Kombiniertes Steuersystem zur Abgasvorbehandlung mit katalytischer Vergasung
  • Dampfreinigungssystem mit kontinuierlichem elektrostatischem Feld zur Abgasreinigung und -behandlung
  • Niedertemperatur-Plasma-UV-Photolyse-Abgasreinigungssystem
  • Markenregistrierungszertifikat
Aktuelle Neuigkeiten und Veranstaltungen
Teilen Sie es mit Ihnen
Weitere Nachrichten anzeigen