Großhandel Chemischer Wäscher

  • Chemischer Wäscher

Chemischer Wäscher

Der chemische Wäscher ist ein fortschrittlicher Scheuerfilter. Es nutzt eine spezielle Struktur und eine große spezifische Oberfläche regelmäßiger Packungen als Stoffaustausch- und Dehydratisierungspackungen. Gleichzeitig werden je nach den verschiedenen geruchsverursachenden Komponenten im Geruch die entsprechenden Säuren, Laugen und Oxidationsmittel als absorbierende Waschflüssigkeit verwendet, um den Geruch im Raum zu entfernen und die Auswirkungen auf die Umgebung zu beseitigen.

Der geruchsintensive Luftstrom wird durch den Luftkanal transportiert und gelangt über den Turmeinlass in den Turm. Nach dem Eintritt in den Turm durchläuft es die Packungsschicht von unten nach oben und wird schließlich durch den Korrosionsschutzventilator aus dem oberen Rohrleitungsauslass des Turms ausgetragen. Die Neutralisierungslösung durchläuft den Flüssigkeitsabscheider oben im Turm, sprüht gleichmäßig in die Packungsschicht, fließt entlang der Oberfläche der Packungsschicht nach unten, bis sie vom Turmboden durch die Rohrleitung ausgetragen wird, und wird von der Korrosionsschutzumwälzpumpe umgewälzt. Da die Konzentration der gelösten Stoffe im aufsteigenden Luftstrom immer geringer wird, wird die Reinigungsfunktion erreicht, wenn der Luftstrom die Spitze des Turms erreicht, und er wird abgelassen oder im nächsten Schritt weiter gereinigt. Im Gegenteil, die Konzentration des Mediums in der absteigenden Flüssigkeit wird immer höher und erreicht die Prozessbedingungen, wenn es den Boden des Turms erreicht und aus dem Turm ausgetragen wird.

Vorteile des Sprühpackturms: Er verfügt über einen hohen Wirkungsgrad, eine geringe Flüssigkeitsaufnahmekapazität, ein geringes Gewicht und eine einfache Bedienung, sodass die Arbeiter sofort loslegen können. Der Füllstoff kann entsprechend den vom Kunden vorgegebenen Arbeitsbedingungen ausgewählt werden. Es gibt viele Arten und im Allgemeinen werden korrosionsbeständige Kugelringe verwendet. Es ist jedoch zu beachten, dass feste Schwebstoffe aufgrund ihres großen Partikeldurchmessers den Füllstoff verstopfen können und daher grundsätzlich nicht für die Feststoffbehandlung geeignet sind. Beispielsweise können NH₃, HCl, H₂S, Stickoxide und organische Abgase, die in Fabriken entstehen, mit dieser Ausrüstung effektiv behandelt werden.

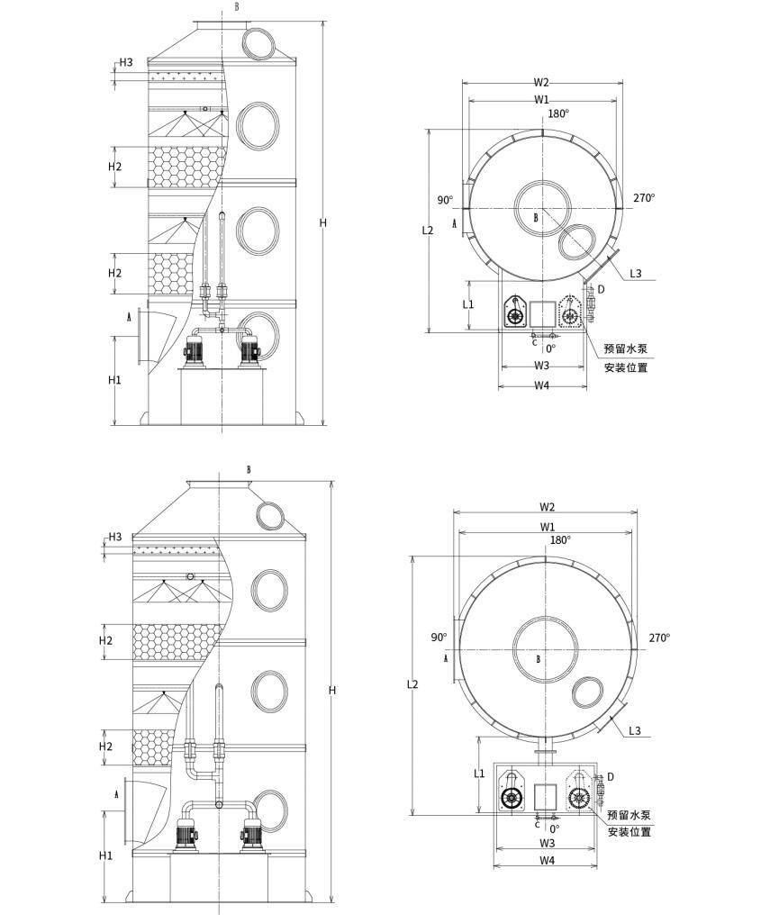
Struktur des chemischen Wäschers:
Wie in der Abbildung dargestellt: Das komplette gepackte Sprühreinigungssystem umfasst die folgenden Komponenten:

1. Der Turmkörper besteht aus PP-Platten (Polypropylen);

2. Verpackungsstützrahmen aus PP-Gitterplatten;

3. Verbindungsrohre aus UPVC spritzen;

4. PP-Spiraldüsen;

5. Hohlkugel- oder Pall-Ringpackung;

6. Korrosionsbeständige PP-Umwälzpumpe;

7. Mesh-Demisterschicht;

8. Manuelle und automatische Wassernachfüllgeräte;

9. Überlauf- und Abflussrohre;

10. Inspektionsfenster.

Auswahl des chemischen Wäschers:
Technische Parametertabelle des gepackten Sprühwäschers

Um den Transportkomfort und die Sicherheit zu gewährleisten, werden PP-verpackte Sprühwäscher in zwei Typen unterteilt:

Typ 1: Integrierter Wassertank-Sprühwäscher (Turmdurchmesser: Φ1000 mm–Φ2200 mm)

Typ 2: Split-Typ-Wassertank-Sprühwäscher (Turmdurchmesser: Φ2500 mm–Φ3500 mm)


Modelllspezifikationen entsprechend der Luftstromkapazität:

Model Luftvolumen Gerätegröße Leistung der Wasserpumpe Füllstärke Windgeschwindigkeit Ausrüstungsmaterial
LRTL-600 0-1500m³/h Φ600x3000 0,75 kW 500*2 1,48 m/s PP/304/Q235/FRP
LRTL-800 1501-2500m³/h Φ800x3000 0,75 kW 500*2 1,39 m/s PP/304/Q235/FRP
LRTL-1000 2501-4000m³/h Φ1000x5000 1,5 kW 500*2 1,42 m/s PP/304/Q235/FRP
LRTL-1200 4001-6000m³/h Φ1200x5000 2,2 kW 500*2 1,48 m/s PP/304/Q235/FRP
LRTL-1500 6001-9500m³/h Φ1500x5000 3,75 kW 500*2 1,5 m/s PP/304/Q235/FRP
LRTL-1800 9501-14000m³/h Φ1800x5000 5,5 kW 500*2 1,53 m/s PP/304/Q235/FRP
LRTL-2000 14001-17000m³/h Φ2000x6000 5,5 kW 500*2 1,5 m/s PP/304/Q235/FRP
LRTL-2200 17001-20000m³/h Φ2200x6000 7,5 kW 500*2 1,46 m/s PP/304/Q235/FRP
LRTL-2500 20001-27000m³/h Φ2500x6000 7,5 kW 500*2 1,53 m/s PP/304/Q235/FRP
LRTL-2800 27001-33000m³/h Φ2800x6000 15 kW 500*2 1,49 m/s PP/304/Q235/FRP
LRTL-3000 33001-38000m³/h Φ3000x6800 15 kW 500*2 1,49 m/s PP/304/Q235/FRP
LRTL-3200 38001-44000m³/h Φ3200x6800 15 kW 500*2 1,52 m/s PP/304/Q235/FRP
LRTL-3500 44001-55000m³/h Φ3500x6800 15 kW 500*2 1,5 m/s PP/304/Q235/FRP

Hinweis: Nicht standardmäßige Designs können entsprechend den Kundenanforderungen angepasst werden.

Auswahldiagramm:

Hangzhou Lvran Environmental Protection Group Co., Ltd.

  • 1000+

    Kunden der Serviceeinheit

  • 2000+

    Nationale technische Fälle

Hangzhou Lvran Environmental Protection Group Co., Ltd. ist ein umfassender technischer Dienstleister und Gerätehersteller für Abgasbehundlungssysteme, der Forschung und Entwicklung, technische Dienstleistungen, Design, Produktion, technische Installation und Kundendienst integriert.

We are China Chemischer Wäscher Suppliers and Wholesale Chemischer Wäscher Exporter, Company. Die Gruppe ist ein nationales High-Tech-Unternehmen, ein Wissenschafts- und Technologieunternehmen der Provinz Zhejiang, ein regionales Forschungs- und Entwicklungszentrum und eine mit AAA bewertete Krediteinheit. Es hält über 30 Gebrauchsmusterpatente, zahlreiche Erfindungspatente und Software-Urheberrechte. Die Gruppe unterhält langjährige technische Forschungs- und Entwicklungskooperationen mit inländischen Universitäten und Institutionen, darunter das „Environmental Innovation R&D Center“, das mit der Anhui University of Science and Technology gegründet wurde, und das „Plasma Energy and Environmental New Technology R&D Center“, das gemeinsam mit der Zhejiang Sci-Tech University entwickelt wurde. Die Gruppe hat eine eigene Forschungs-, Entwicklungs- und Produktionsbasis für eine intensive technische Zusammenarbeit aufgebaut. Die Gruppe verfügt über eine Kerntechnologie zur VOC-Gasaufbereitung, verfügt über eine Generalunternehmerqualifikation der Stufe 2 für kommunale öffentliche Bauarbeiten, eine Sicherheitsproduktionslizenz, eine Spezialdesignqualifikation der Klasse B für die Kontrolle der Umweltverschmutzung in der Provinz Zhejiang, nicht klassifizierte Arbeitsdienstqualifikationen und spezialisierte Auftragsvergabe für Sonderprojekte. Die Gruppe ist nach ISO9001 für internationale Qualität, ISO14001 für Umweltmanagement und ISO45001 für Gesundheit und Sicherheit am Arbeitsplatz zertifiziert.

EHRE & ZERTIFIKAT

Die folgenden Auszeichnungen zeugen von unserer Brillanz. Wir gewinnen Kunden mit hochwertigen Produkten und gewinnen mit guten Dienstleistungen großes Lob vom Markt und allen Gesellschaftsschichten.

  • Eine plattenartige Grundeinheit mit hohem elektrischem Feld und Reaktor zur Verhinderung von Leckagen entlang der Oberfläche
  • Eine Reaktionsvorrichtung zur Synthese von Methanol unter Verwendung von Kohlendioxid und Wasser und ein Verfahren zur Synthese von Methanol unter Verwendung von Kohlendioxid und Wasser
  • Selbstreinigender Elektrofilter
  • Ein korrosionsbeständiger Hochdruckventilator mit Windrichtungsanpassungsfunktion
  • Ein einstellbarer, selbstreinigender Hochleistungsventilator
  • Kombiniertes Steuersystem zur Abgasvorbehandlung mit katalytischer Vergasung
  • Dampfreinigungssystem mit kontinuierlichem elektrostatischem Feld zur Abgasreinigung und -behandlung
  • Niedertemperatur-Plasma-UV-Photolyse-Abgasreinigungssystem
  • Markenregistrierungszertifikat
Aktuelle Neuigkeiten und Veranstaltungen
Teilen Sie es mit Ihnen
Weitere Nachrichten anzeigen